TDDA7293 Audio Power Amplifier Guide
TDA7293 Amplifier - бирдиктүү бирдиктүү бирдиктүү соккуляцияланган соккуляцияланган сок...
Oct 04
Views: 8946
74HC00
, CMOS логикасынын көрүнүктүү мүчөсү IC үй-бүлөсүнүн көрүнүктүү мүчөсү, Төрт Гейтс Төрт Гейтстин бир пакетине бир пакетке салып, лс-TTL эксплуатациялык ылдамдыкка дал келбестикти төмөндөтүүгө болот.Тез ылдамдыкты жана натыйжалуулукту аралаштырып, он ль-TTL жүктөрдү жана ички диодияны жана ички диодду коргоо үчүн, цифралык схемада турган жерлерди санариптик дизайндагы ар тараптуу жана ишенимдүү компонент катары жайгаштырат.Сиз анын ызы-чуу ызы-чуусуз чыгарылышына жана анын бир нече өнөр жай стандарттык эквиваленттерине шайкеш келгендигин баалай аласыз, аны инновациялык жана бекем санарип системаларын түзүүгө буруңуз.
74HC00
RENESAS
74HC00 ST SOP
In Stock: 6124 pcs

The
74HC00
, Төрт Нанд Гатенттерди камтыган Төрт дарбазасы LS-TTL үй-бүлөсү менен тегиздөө үчүн белгиленет.
74HC00
RENESAS
74HC00 ST SOP
In Stock: 6124 pcs
Силикон-дарбаза CMOS технологиясын колдонууну камсыз кылуу, ал кубаттуулукту төмөндөтүп жатканда LS-TTL үчүн иштөө ылдамдыгына жетишет, ал төмөн кубаттуулукту төмөндөтөт.Бул тең салмактуулук сизге ылдамдыкты жана натыйжалуулукту, тапкычтыкты өстүрүүчү жасалгаларды өстүрүүгө мүмкүндүк берет.Баарлашкан дарбазанын чыгышы ызы-чуу иммунитетин өркүндөтөт, ал тургай, туруктуу сигнал шартталганда, туруктуу иштерди жүргүзүүгө өбөлгө түзгөн фактор.
Анын он лс-ттл жүктөрүн айдоо мүмкүнчүлүгү, аны көптөгөн сигнализациялоонун суммасы каалаган системаларга ылайыктуу кылат.
Ички Диод кысуу менен жабдылган, ал электростатикалык разряд менен байланышкан тобокелдиктерди минималдаштырат.Бул функция анын курамын кеңейтүүдө, узак мөөнөттүү ишенимдүүлүктү издөөдө акылмандыкты чагылдырып, анын узак мөөнөттүү деңгээлин чагылдырат.
Алмаштыруу жана эквиваленттер:
•
CD4011
CD4011
I-CORE
701
In Stock: 25220 pcs
• MC54HC00AJD
• Sn54ls00
• SN74HCT00DTTE4
•
74HCT132D
74HCT132D
NXP
74HCT132D PHILIPS SOP14
In Stock: 16924 pcs
•
74HCT00
74HCT00
TI
74HCT00 ST SOP14
In Stock: 2870 pcs

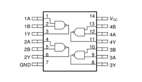
• Pins 1, 2, 4, 5, 9, 10, 12, 13, маалымат каражаттары
Бул казыктар чиптин ичиндеги Нанданын дарбазасынын логикалык операцияларын жетектөө үчүн киргизүү сигналдарын алуу үчүн жасалат.Бул киргизүүнү камсыз кылуу, кийлигишүүчүлөрдөн арылтуучу эмес, контролдоо жана болжолдоо үчүн ой жүгүртүү үчүн көзкарандысыз кыймылдабайт.
• 3, 6, 8, 11 казыктар: Маалымат натыйжалары
Чыгуу катары аткаруу, бул казыктар Нанд дарбазасынын эсептөөлөрүнүн натыйжаларын жеткиришет.Алар ар түрдүү санариптик логикалык курулмаларда колдонсо болот, биргелешип логикалык логикалык үлгүлөрдү токушат.Бир нече схема бир чыгарылышка туташканда, жүктөө эффекттери татаал мамилелерде талап кылынган назик тең салмактуулукта.
• Pin 7: Жер (GNN)
Бул PIN тутумга чыңалуулар үчүн туруктуу маалымдама чекитин камсыз кылуу үчүн тутумга туташтырат.Мындай туруктуу байланышты орнотуу, жер бетин жаратуу жана түшүнүктүүлүктүн табигый умтулушу менен, бузулгандыктарды минималдаштыруу.
• 14 пин 14: Позитивдүү электр менен камсыздоо (VCC)
Бул пин аркылуу туура чыңалууну азыктандыруу Түзмөктүн аткарылышын колдойт.Көрсөтүлгөн диапазонунда жашоону күчөтүп жатканда, электр кубаттуулугун басаңдатуучу сакълманын жанындагы сепиторлорду жайгаштыруу узакка созулган саздалык саздарды коюу, жашоонун татаалдыгын башкарууга болот.
74HC00
төрт көз карандысыз нандарды натыйжалуулугуна багыт алуу, аны санариптик схемада өзүңүздүн ишенимдүү спектакль менен тартууга багытталган төрт көз карандысыз нанды дарбазалар менен иштелип чыккан.Анын укмуштай ызы-чуу иммунитети туруктуу өтүнмөлөргө өз салымын кошот, алардын көпчүлүгү долбоорлорду жактоо үчүн арыздуулукту талап кылат.Мип жана соойдук форматта жеткиликтүү, ал ар тараптуу талаптарга жооп берет жана ийкемдүү PCB макет параметрлерин сунуштайт.
74HC00
RENESAS
74HC00 ST SOP
In Stock: 6124 pcs
74HC00's Accitaligan бул логикалык дарбазанын конфигурацияларына жана татаал системаларга ылайыкташтырууга мүмкүнчүлүк берет.Сиз анын бекем салууну / чыгарылыш айдоо жөндөмүн баалай аласыз, татаал санариптик функцияларды колдонууга пайдалуу.
Анын ар кандай шарттарда иштеши мүмкүнчүлүгү билим берүү жана прототиптин өнүгүүсүндө 74hc00 популярдуу болуп саналат.Райондук татаалдыгына ылайыктуулугуна ылайыкташтыруучу жеңилдикти аткарган ишти аткарбастан жаңы инновацияларды изилдөө сизди шыктандырат.
Техастагы аспаптар ишенимдүү жана жер астикорлорун жаратуучу продукцияны жаратууга арналуусу үчүн адеп-ахлакка алышты.Техас шаймандары үчүн узактыгы жана жогорку көрсөткүчтөрүнө көңүл буруу менен, Техастагы аспаптардын компоненттери электрондук өнөр жайда эффективдүү ролду көрсөтүп, көптөгөн өтүнмөлөрдүн жүрөктөрүндө болушат.
8.65mm x 3.91mm x 1.58mm,
74HC00
компакт чөйрөлөрүнө ылайыкташтырылган көрүнүктүү дизайны менен мактанат.Бул өлчөмдөр Интернеттеги интеграцияны жөнөкөйлөштүрүүнү жөнөкөйлөштүрүп, чектелген мейкиндикти түзмөктүн укмуштуу мүмкүнчүлүктөрүн бузбастан, чектелген мейкиндикти түзүүгө мүмкүндүк берет.
74HC00
RENESAS
74HC00 ST SOP
In Stock: 6124 pcs
Электр кубат булактарын тандоодо жана санариптик схемалардын кеңири спектрин камсыздоодо адаптивдүүлүккө ылайыктуулугун сунуштайт.Бул чыңалуу диапазону ар тараптуу өтүнмөлөрдү колдойт, 74HC00 динамикалык чөйрөдөгү талаптарды өзгөртүүгө туура келүүнү өзгөртөт.
Аспаптын ортосунда -40 ° C жана 85 ° C ортосунда натыйжалуу иштөө ар кандай климаттарга жана өнөр жай шарттарында гүлдөп өнүгүү иштелип чыккан.Анын температурасына каршы туруштук берүү аны экологиялык өзгөрүлмөлүү болгон керектөөчү электроника жана өнөр жайлык өтүнмөлөрдүн артыкчылыктуу тандоосу аны тандап алат.
23 наносекундга жайылтууну сунуштоо, жогорку ылдамдыктагы логикалык функциялар үчүн талап кылынган кайра иштетүү натыйжалуулугун жогорулатуу үчүн 74HC00 excles.Ыкчам иш-аракет, бул цифралык сигнал контролдоо жана байланыш тутумдары сыяктуу колдонмо үчүн пайдалуу, анда тез маалымат алмашуу зарылдыгы болуп саналат.
Түзмөк 4 дарбаза, Нандалык логикалык операциялар үчүн 4 дарбаза кирет, алгылыктуу логикалык дизайн үчүн олуттуу иштешин камсыз кылат.Бул конфигурациянын натыйжалуулугун тастыктоо үчүн логикалык операциялар натыйжалуу аткарылышы, SEMIFT жана ишенимдүү иштетүүнү камсыз кылуу үчүн натыйжалуу аткарылышы үчүн, натыйжалуу аткарылат.
Логикалык дарбаза катары иштөө, 74hc00 санариптик райондук жаратуунун негизги компоненти катары кызмат кылат.Бул элементтерди комплекстүү санариптик тутумдарды куруу үчүн колдонсоңуз болот, демек, эсептөө күчтөрүн өркүндөтүү жана иштетүү мүмкүнчүлүктөрүн инновациялык жолдор менен өркүндөтүү.
74HC00
төрт өзүнчө нандалык дарбазаны бириктирет, ар бири бир чыгарылышка алып баруучу эки маалымат менен бириктирилет.Операция тиешелүү чындык дасторконуна жараша болот.Тактап айтканда, эгерде киргизүү тең болсо, экөө тең бир гана төмөндөйт.Болбосо, чыгарылыш жогорку деңгээлдеги санариптик логикалык дизайндагы негизги элемент туруктуу бойдон калууда, ал эми татаал схемаларды карай, өтө татаал схемалардын негизги компонентин жүргүзөт.
74HC00
RENESAS
74HC00 ST SOP
In Stock: 6124 pcs
Позитивдүү жооп кайтаруу бул дарбазалардын туруктуулугуна таасир этет.Ар бир дарбаза өзүнүн салымдары процесстерин иштеп чыгат, пикирлер туруктуу натыйжалуулукту жогорулатуу үчүн туруктуу чыгарылган мамлекетти бекемдейт.Бул тең салмактуулук дарбазанын реакцияларын киргизүү маанилери менен шайкеш келтирүү менен жетишилет.Ушул аспектте көзкарандысыз логикалык мамлекеттерди талап кылган схемаларды ачуу, ишенимдүүлүк катмарын ачып берүү.
Нанданын дарбазасынын чегиндеги киргизүү динамикасынын тымызын сарптоо динамикасынын сарптоо динамикасын контролдоочу схема конструкцияларын өркүндөтүүгө мүмкүндүк берет.Жалпы колдонмолорду, эксплуатациялоо жана операцияларды жүргүзүү сыяктуу логикалык калкып туруу жана жүргүзүү үчүн, ошондой эле логикалык тапшырмаларды аткаруу кирет.Бул ар тараптуулук контексттердин спектрлерин, контролдук механизмдеринин татаал эсептөө тармагындагы түздөн-түз контролдук механизмдер аркылуу алардын асырап алуусун баса белгилейт.
74HC00дүн кеңири пайдалуулугу жөнүндө ой жүгүртүү, анын көз каранды болгон натыйжалуулугу керектөө электроникасын өнөр жайлык автоматтарга жайган жаатында таалап табат.Бул дарбазаларды ар тараптуу логикалык алкактарга уюштуруу күчү инновацияларды өрчүтүүгө үндөгөн олуттуу чыгармачыл эркиндик берет.Нанд Гейтсинин негизги принциптери уникалдуу технологиялык тоскоолдуктар үчүн ылайыкташтырылган чечимдерди шыктандырат.
74HC00
- бул төрт киргизүү үчүнчү нандалык дарбаза, экинчиси тактык менен иштелип чыккан.Ал практикалык жактан жана технологиялык татаалдыктын гармониялуу аралашмасын чагылдырат.
74HC00
RENESAS
74HC00 ST SOP
In Stock: 6124 pcs
• Вольтаганын кеңири чөйрөсүндө иштейт
• Ыкчам жайылтуу кечигүүсүн көрсөтөт
• Жогорку ылдамдыктагы жана төмөн энергия операцияларына ылайыктуу
• чыңалуу жана учурдагы: Бул компонент долбоордун керектөөлөрүнүн көп түрдүүлүгүн сактаган чыңалуунун деңгээлин билдирет.
• Температура диапазону: Ар кандай экологиялык шарттарга ылайыктуулугуна көнүп калган температуранын ар кандай температурасында ишенимдүү аткарат.
• Жалпы пайдаланууда: Ар тараптуу компонент, бул санариптик схемалар боюнча бир орунду ээлейт, санариптик схемалар боюнча жер күнүмдүк милдеттерге ылайык, күнүмдүк милдеттерден ырайым менен татаал өтүнмөлөргө чейин созулат.
• конкреттүү аткаруу: Керектөөчү электроникаларынан өнөр жайлык механиктерге чейинки 74HC00 бир калыпта, анын пайдалуулугун ар бир колдонмодо чагылдырат.
74HC00
чипти эксплуатациялоодо эң сонун көнүгүү жөндөмдүүлүгүн көргөзөт, көп учурда ар түрдүү электрондук контекстте пайда болот.
74HC00
RENESAS
74HC00 ST SOP
In Stock: 6124 pcs
74HC00 жарнамалык түрдө буфер же айдоочу катары функцияларды схемалар аркылуу тегиздөөгө түртүп жатат.Чыңалган чыңалууну азайтуу жана төмөндөө сигнал деградациясын кыскартуу менен, ал компоненттердин ортосунда ырааттуу байланышты белгилейт.Электронниктер менен 74HC00 колдонуп, буфер микрокрокрокроликанын бир нече жолу же эстафеталарды жандандыруу, DIY долбоорлорундагы тез-тез бир өзгөчөлүктү жандандыруу үчүн микрокрокрокроколдун мүмкүнчүлүктөрүн көтөрө алат.
Бул чип, логикалык операцияларды, мисалы, нандалык дарбазалар сыяктуу татаал системалардын өзөгүн түзүүгө мүмкүнчүлүк берет.Анын ар кандай логикалык схемаларга болгон аракетсиз интеграциялоо анын пайдалуулугун баса белгилейт.Санарип дизайнда, Нанда дарбазаларын колдонууга сизди азыраак компоненттери жана топтомун күчөтүүчү татаал логикалык схемаларды курууга күч берет.
Кыналган тутумдардын чегинде, микроконтролердин демилгесиндеги логикалык функцияларды колдонууга тапшырма аткаруу.
Сонун IOT шаймандары ушул чипти шарттуу текшерүүлөрдү жүргүзүү жана четки шаймандарды башкарууга, тутумдун жооп кайтаруу жана ишенимдүүлүгүн жогорулатуу үчүн колдонот.
74HC00 деңгээлдеги конверсиясында натыйжалуу ролду аткарат, сигналдын деңгээлин ар кандай схеманын арасында тууралоочу жардам берет.Бул ар кандай чыңалуу рейтингдери бар компоненттердин аралашмасын жылмакай кылат.Аралаш чыңалуу кырдаалда, мисалы, 5V микрокронкроликаны 3.3V сенсоруна байланыштыруу, 74HC00 74HC00 бөлүнүп, бөлүнүп, так маалымат алмашуу.
Чип убактылуу жана контролдоо схемалары боюнча өзгөчөлүктөрү, ырааттуу логикалык тапшырмаларды кылдаттык менен координациялоо, өтүнмөлөрдү кечиктирүү схемалары жана импульстун мууну сыяктуу жогорулатуу.Убакытты төлөөчү схемаларды 74HC00 менен тукурациялоо, синхрондоштуруу тутуму сыяктуу иш-аракеттерди жүргүзүү, кылдаттык менен жүргүзүү аркылуу маалыматтык каражаттарды коргоо.
74HC00 бинардык салыштыруу үчүн санариптик компаратор катары санариптик тармактарда чечим кабыл алуу үчүн идеалдуу функциялар катары иштейт.Бул экилик цифранын ортосундагы теңчиликти же өзгөрүүсүн байкайт.Экилик салыштыруу үчүн 74HC00 колдонмо санариптик санариптик протоколдордо, системанын иш-аракеттеринин иш-аракеттеринин түрлөрүндө филиал чечимдерин ишке ашыруу үчүн натыйжалуу каттамды камсыз кылат.
74HC00 2.0v ден 6,0V диапазонунда иштейт.Санариптик логикалык тутумдарды тейлөө, ал татаал санариптик архитектуралардын негизин түзгөн логикалык операцияларды түзүүгө мүмкүндүк берет.
74LS00 төрт Нанд Гейтс топтомун камтыйт, алардын ар бири эки киреше жана сингулярдык чыгаруу менен иштелип чыккан.Бул конфигурация - бул санарип электроника менен бирдиктерди иштеп чыгууда жалпы тандоо.
Негизги айырма - алардын чыңалуусу.74HC00 2В ичинде 6В ичиндеги иштейт, ал эми 74ls00 электр энергиясын камсыздоого чектелген.Тандоо көбүнчө өтүнмө муктаждыктарынын жана экологиялык факторлордун өзгөрүүсүнө жараша болот.
74HC сериясынын өзгөчөлүктөрү жогорку ылдамдыктагы CMOS интеграцияланган схос, электр энергиясын керектөө менен тъляддаган ылдамдыкты сунуш кылат.Алардын 74лдер сериясында шайкештештирүү менен шайкештиги, учурдагы схемаларды оңой интеграциялоого жана алмаштыруу мүмкүнчүлүгүн берет.
Санариптик схемада 74hc00 Нанд Логикалык дарбазалар сигнал инверсия үчүн талап кылынган жана татаал логикалык иш-аракеттерди жүргүзүү үчүн талап кылынат.Анын адаптуулугу бул билим берүү контексттери жана кесиптик электрондук ишканаларда баалуу актив кылат.
Oct 04
Views: 8946
Nov 11
Views: 6346
Apr 16
Views: 451
Apr 16
Views: 407
Apr 16
Views: 347
Apr 16
Views: 367
Apr 15
Views: 491
Apr 15
Views: 456